中国政府网
湖南省政府网
怀化市政府网
网站支持IPv6
繁体
无障碍浏览
长者专区
设为首页
站群导航
部门
乡镇
县发展和改革局(县人防办)
县教育局
县科学技术局
县工业和信息化局
县公安局
县民政局
县司法局
县财政局
县人力资源和社会保障局
县自然资源局
县住房和城乡建设局
县交通运输局
县水利局
县农业农村局(乡村振兴局)
县商务局
县文化旅游广电体育局
县卫生健康局
县审计局
县退役军人事务局
县应急管理局
县市场监督管理局
县统计局
县城市管理和综合执法局
县信访局
县林业局
县医疗保障局
市生态环境局沅陵分局
沅陵镇
五强溪镇
官庄镇
凉水井镇
七甲坪镇
筲箕湾镇
麻溪铺镇
明溪口镇
盘古乡
二酉乡
荔溪乡
马底驿乡
楠木铺乡
杜家坪乡
北溶乡
火场乡
肖家桥乡
大合坪乡
清浪乡
陈家滩乡
借母溪乡
登录
|
注册
首 页
县政府
新闻中心
信息公开
解读回应
政务服务
政府数据
互动交流
走进沅陵
首页
>
信息公开
>
法规文件
>
县政府办文件
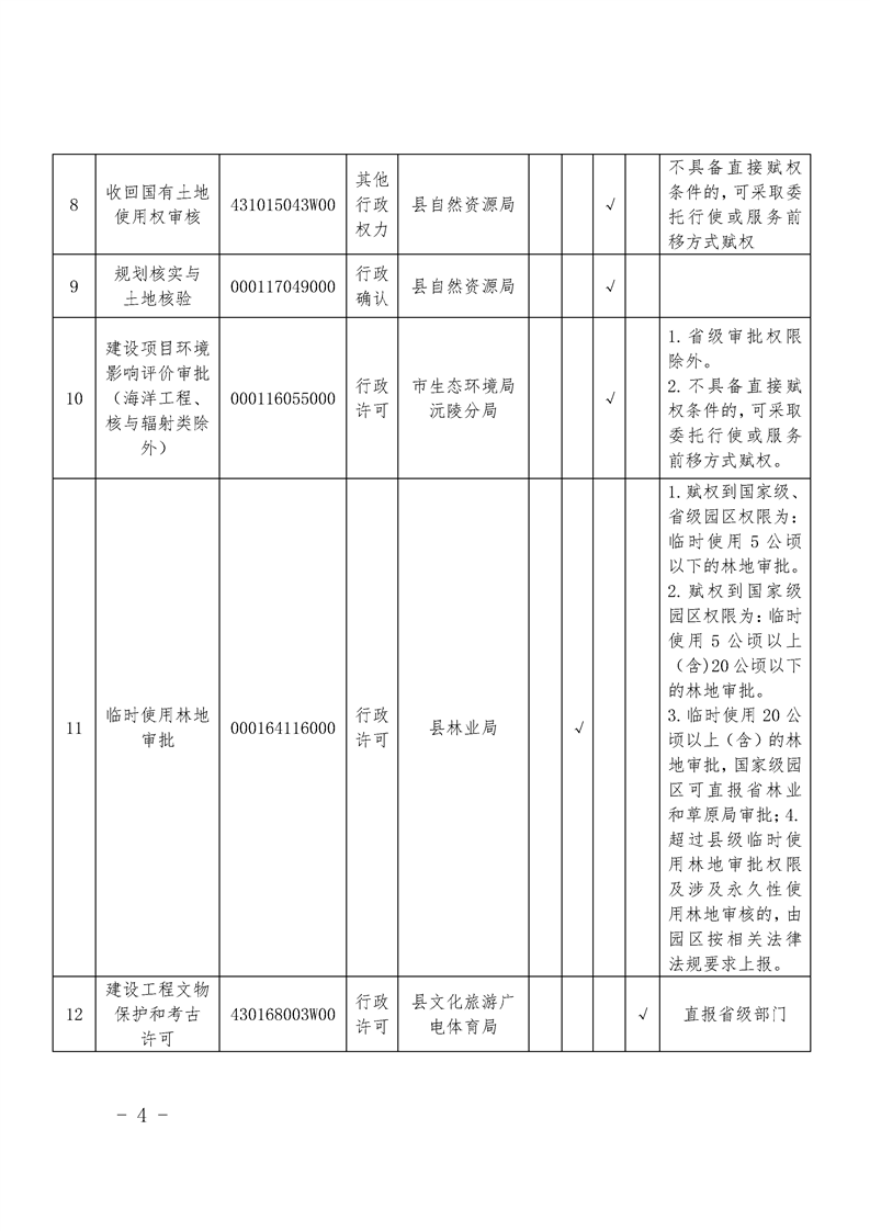
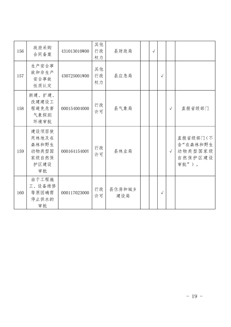
沅陵县人民政府办公室关于动态调整沅陵县产业开发区赋权目录的通知
发布时间:2023-07-05 16:44
信息来源:沅陵县人民政府办公室
索引号:431200/2023-018811
文号:沅政办发〔2023〕15号
统一登记号:YLDR-2023-01001
公开方式:主动公开
公开范围:全部公开
信息有效期:2028-08-02
签署日期:2023-07-03
登记日期:2023-07-03
所属机构:沅陵县人民政府办公室
所属主题:县政府办文件
发文日期:2023-07-03
公开责任部门:沅陵县人民政府办公室
相关解读
音频解读:《动态调整沅陵县产业开发区赋权目录》
关于《动态调整沅陵县产业开发区赋权目录》的政策解读
图解:动态调整沅陵县产业开发区赋权目录
信息来源:沅陵县人民政府办公室
作者:
责任编辑:李作俊
分享到
服务电话
官方微信
手机浏览
智能问答
友情链接
色播平台
|
性爱网站
|
裸聊app
|
黄色网址